Skip to content
Wiki
1998 Chevrolet Blazer S10 V6
Search
rusefi/rusefi
Wiki
rusefi/rusefi
Downloads
Getting Started
Getting Started
Quick Start
Support & Community
How to create a TunerStudio project
rusEFI Online
FAQs and HOWTOs
Guides
Guides
Wiring & Connectivity Overview
Cranking
Trigger - Configuration
Trigger - Setting Offset
Electronic Throttle
Logging
Wideband Oxygen Sensors
Fueling
Flex Fuel
Direct Injection
Knock Sensing
Variable Valve Timing
Lua Scripting
Digital Dash
Multispark
ECU Hardware
ECU Hardware
rusEFI Hardware Overview
Universal ECUs
Universal ECUs
uaEFI
microRusEFI
Proteus
Plug-and-Play ECUs
Plug-and-Play ECUs
Honda OBD1
GM E38
GM E92
Hellen
Other Hardware
Index
Index
Fuel
Sensors and Actuators
Ignition
Software
Info Vaults
Contributors
Contributors
Contribute to Firmware
Contribute to Documentation
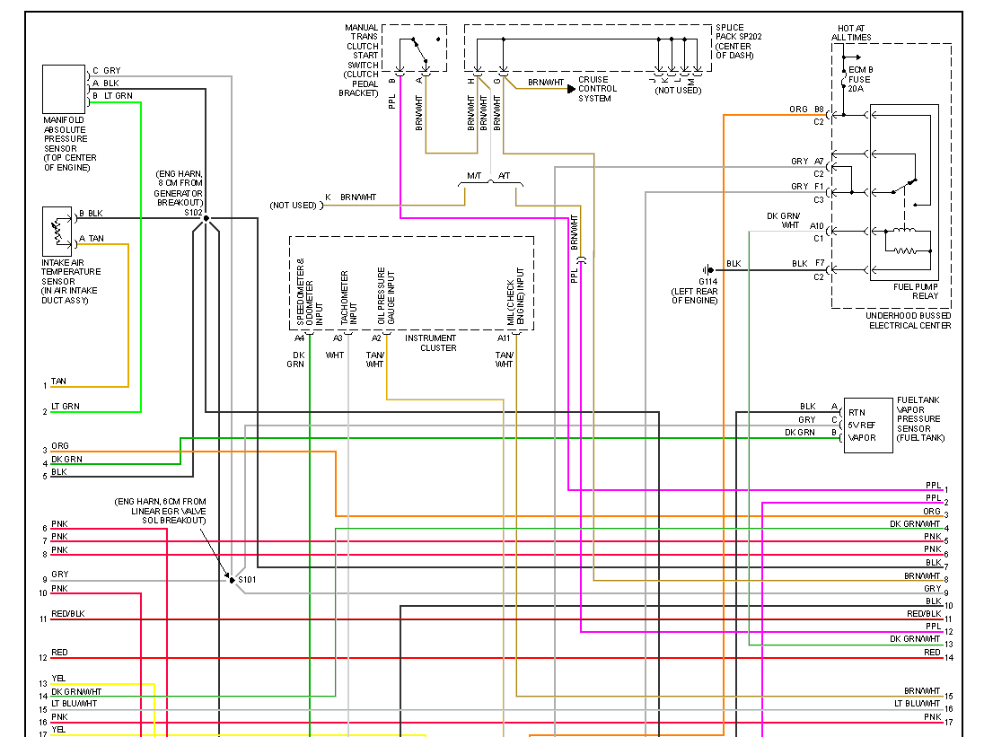
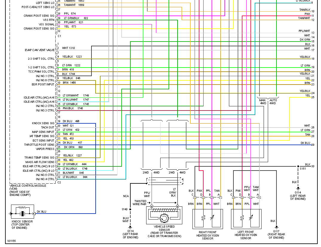
1998 Chevrolet Blazer S10 V6
¶