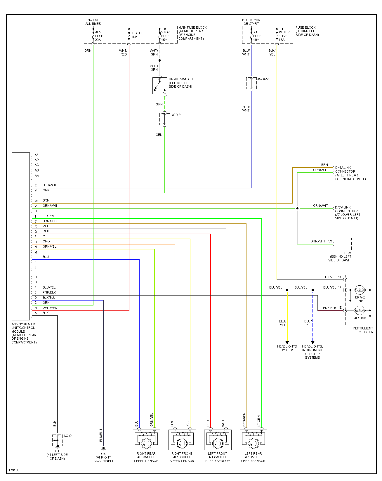
2001 Mazda Miata ABS¶
Anti-lock Braking System
Miata NB2
Bosch 0 273 004 568 0273004568
Denso 110 000 31210
MAZDA N068 43 7A0
| pos | color | desc | type |
|---|---|---|---|
| 1 | ? | ?? | |
| 2 | |||
| 3 | |||
| 4 | |||
| 7 | |||
| 8 | |||
| 9 | |||
| 10 | |||
| 11 | |||
| 12 | |||
| 13 | |||
| 15 | |||
| 16 |


Similar connector used on 110 000 41170, 27534FE040 Subaru Impreza 00-07
47660 2W500 - 2000 Nissan Pathfinder, 2001 INFINITI QX4