Vault of Electronic Throttle Bodies¶
See Electronic Throttle Body Configuration
New colour scheme: white; orange; purple<>blue; brown<>black; Pink<>red; yellow<>green; gray
GM¶
Around 2007

See also SENT Electronic Throttle Body
Older GM¶

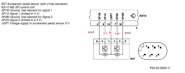
VAG¶
Bosch 0280750009 1.8T and hopefully many others
5n1973206 connector


Mercedes¶
Bosch 0280750074 68mm




Honda¶
Throttle cable position sensor 37971-RBB-003
Connector 6189-1012 replica
Toyota¶

- Motor-
- Motor+
- E2 Sensor ground
- VTA2 TPS Sub
- Vc 5V
- VTA1 TPS Main
Nissan¶
Hitachi SERA576-01 60mm diameter
M6 58mm bolt, internal hex cap see this forum post
2003 Nissan Altima green plug
8 Ohm between blue motor+ and white motor-
Connector 6189-7761

Alternative connector. This connector goes all the way to Nissan X-Trail T30 01-07 and Nissan Patrol.

Nissan Pedal¶
18002 4z800 Pedal with build-in position sensor - 2004-2007 Nissan Altima Maxima
18919-AM810 Pedal Position Sensor (separate from pedal) - Nissan 350Z 2008, Infiniti G35 2007
89281-33010 Toyota Camry Solara ES300 2002-06 (Pedal 78010-33010)
Wire side connector 6189-0029
WARNING GND#1<>GND#2 are mixed up on the image.

3.2 KOhm between each pairs of GND and +5v
700 Ohm between white and blue wires in sensor parked position.
150 Ohm between green and black wires in sensor parked position.
Outside information¶
See this forum thread TODO move content to here
lots of useful information here
