Volkswagen Passat B6¶
BOSCH MED9.1 ECU P/N 3C0 907 115 F

Production 2005–2010 (B6)
2.0 Turbo FSI engine code BPY ???
Fuel Rail High Pressure Sensor 0 261 545059 0261545059 06D906051 Fuel Rail High Pressure sensor 0 261 545016 0261545016 06J906051D 0261545053 Pressure Sensor Fluid PSS-140
Fuel Rail Pressure sensor connector 4D0971993
Fuel Tank Pressure Sensor /
Injector 06F906036A
Injector connector 4D0971992 - pin 1 positive/pin 2 GND
MED 9.1
Sensor Grounds: 22/94 53/94 56/94 78/94 29/60 52/60
Sensor Power: 58/94 80/94 28/60 37/60

WARNING: my test mule is EARLY or LATE? TBD
94 pin connector T94¶
| Pin Number | Name | Default function | OEM Color |
|---|---|---|---|
| 1/61 | GND | ..Power GND term. 31 | BRN |
| 2 | GND | ..Power GND term. 31 | BRN |
| 3 | 12v | +12v from ECU relay term.15 | RED/WHT |
| 4 | GND | Power GND term. 31 | BRN |
| 5 | 12v | ..+12v from ECU relay term.15 | RED/WHT |
| 6 | 12v | ..+12v from ECU relay term.15 | RED/WHT |
| 12 | analog | Radiator Coolant CLT P1-b | BLU |
| 19/79 | +5v | ..MAP +5v | VIO |
| 22/82 | analog GND | ..MAF GND | BLK |
| 25 | brake light switch +12? | BLK/RED | |
| 27/87 | low side | ..fuel pump control 20Hz PWM | YEL/BLU |
| 28/88 | low side | ..coolant FAN control module 25Hz PMW | YEL/VIO |
| 32/92 | low side | ..main relay control | GRN/YEL |
| 38/98 | analog | ..MAP signal P2-b | GRY |
| 53/113 | GND | ..Sensor GND CLT MAP P1-b | BLK |
| 56/116 | analog GND | ..Pedal GND | BLU/GRY |
| 57/117 | analog input | ..Pedal signal #1 PPS | WHT/BLU |
| 58/118 | +5v | ..Pedal sensor power | GRN/GRY |
| 64 | MAF signal | GRN | |
| 67 | ..CAN Low "yellow tape" | ORG/BRN | |
| 68 | ..CAN High "black tape" | ORG/BLK | |
| 69 | low side | ECU Relay Control (CAN wake up) | BRN/VIO |
| 78/138 | analog GND | ..Pedal GND | VIO/BLK |
| 79/139 | analog input | ..Pedal signal #2 PPS2 | BLK/BLU |
| 80/140 | +5v | ..Pedal sensor power | BLK/RED |
| 86 | K-line | ||
| 87 | +12v | Constant +12v from Fuse #25 10A term. 30 | |
| 92 | +12v | Constant +12v from Fuse #25 10A term. 30 | BLK/YEL |
End of 94 pin connector T94
60 pin connector¶
| Pin Number | Name | Default function | OEM Color | rusEFI Color |
|---|---|---|---|---|
| 1 | INJ neg | .Injector #2 P5-t | RED/WHT | blue |
| 2 | INJ neg | .Injector #1 P5-t | RED/BLK | white |
| 4 | low side | ..Wastegate bypass valve | VIO/WHT | |
| 7 | analog in | ..Fuel Low Pressure Sensor pin#2 P5-t, +5#37, GND#14 | VIO/GRN | |
| 10 | analog in | ..Engine CLT P4-b | GRN | |
| 12 | analog in | ..ETB TPS Signal#1 ETB#1 | GRN/YEL | |
| 13 | analog in | ..Intake air temperatur IAT P4-b | WHT | |
| 14 | GND | ..Sensor GND (cam, LPFP, CLT, IAT) | BRN/BLU | |
| 15 | ..ETB DC Motor positive ETB#5 | VIO | ||
| 16 | INJ neg | .Injector #4 P5-t | RED/GRY | green |
| 17 | INJ neg | .Injector #3 P5-t | RED/VIO | orange |
| 19 | low side | ..Fuel pressure regulator valve 4 Ohm HPFP | VIO/BRN | |
| 20 | low side | ..Camshaft valve #1 | VIO/WHT | |
| 25 | analog in | ..Fuel High Pressure Sensor pin#2 P4-b | GRY/BLU | |
| 26 | 5v | ..Sensor 5v power (cam, ) | BLK/GRY | |
| 27 | analog in | ..ETB TPS Signal#2 ETB#4 | BLU/GRN | |
| 28 | 5v | ..ETB +5v ETB#2 | BLK/BLU | |
| 29 | analog GND | ..ETB Signal GND ETB#6 | VIO/BRN | |
| 30 | ..ETB DC Motor neg ETB#3 | BRN/VIO | ||
| 32 | INJ pos | .Injector #3 P5-t connected to #47 | BRN/VIO | green |
| 33 | INJ pos | .Injector #1 P5-t | BRN/BLK | blue |
| 36 | Crank in | ..VR Crank Negative | White | |
| 37 | 5v | ..Sensor 5v power | BLK/GRN | |
| 41 | High-Side | ..Coil #2 | BLU/GRY | |
| 43 | High-Side | ..Coil #3 | RED/GRY | |
| 44 | digital in | ..Cam position sensor | GRN/VIO | |
| 47 | INJ pos | .Injector #2 P5-t connected to #32 | BRN/WHT | orange |
| 48 | INJ pos | .Injector #4 P5-t | BRN BRN/GRY | white |
| 51 | Crank in | ..VR Crank Positive | BRN | |
| 52 | GND | ..Sensor GND | BLK | |
| 56 | High-Side | ..Coil #4 | GRY/BRN | |
| 58 | High-Side | ..Coil #1 | VIO/GRY | |
End of 60 pin connector T60
Injector #1: #33/#2
Injector #2: #47/#1
Injector #3: #32/#17
Injector #4: #48/#16
"Early" 5 pages
"Early"
"Early"
"Early"
"Early"

"Late" 5 pages
"Late"
"Late"
"Late"
"Late"

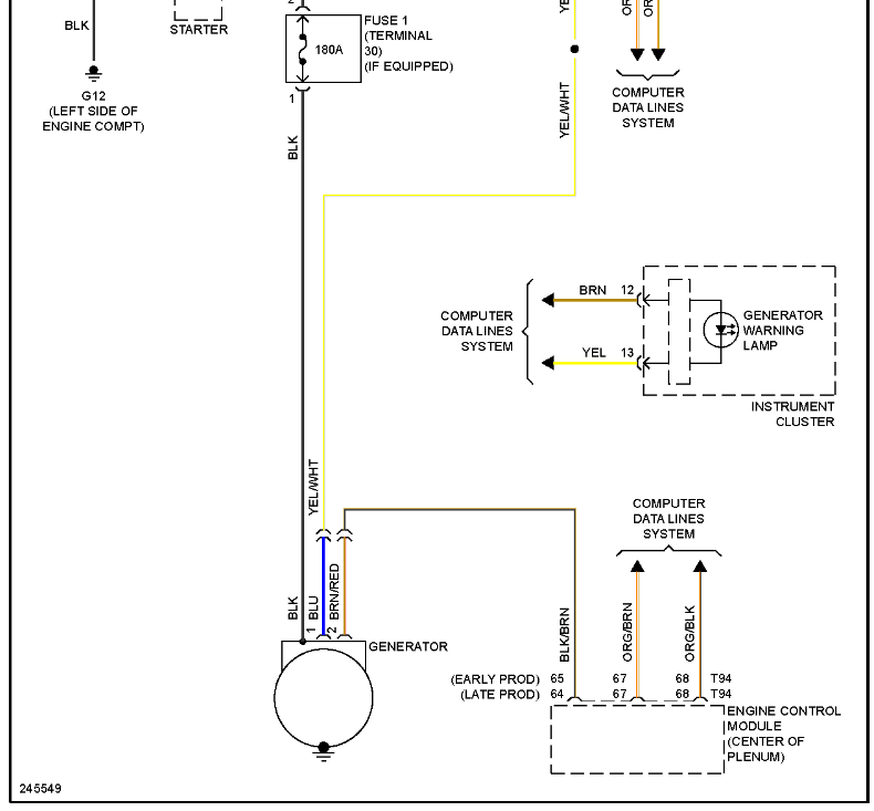
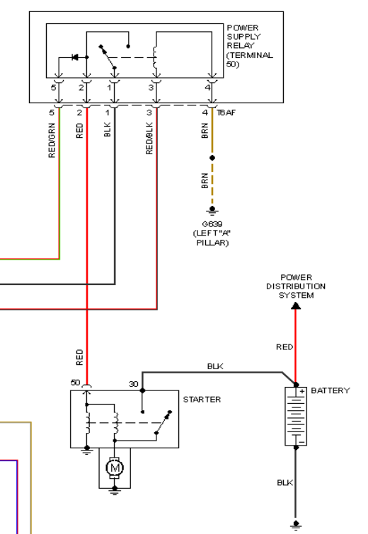
Charging

R17 Starter motor relay
Relay Control wire - RED/BLK


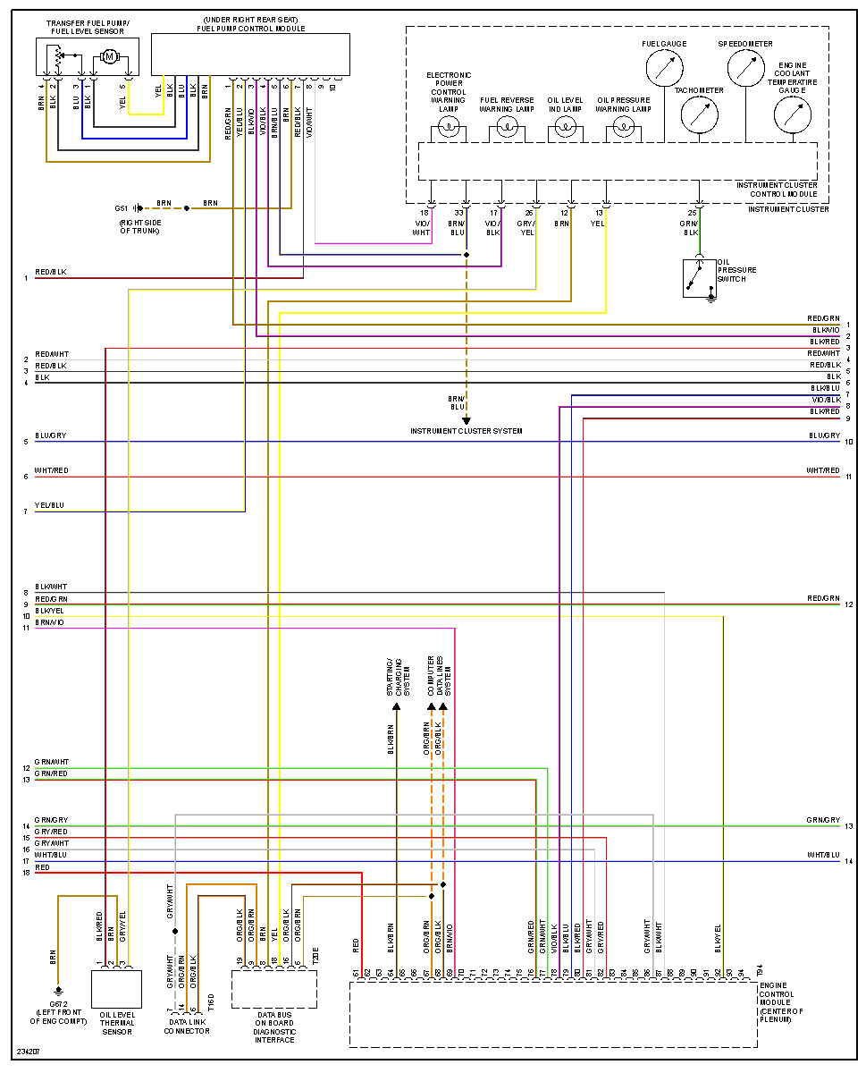
The fuel system in FSI engines
Electronically Mapped Cooling System
Transmission¶
Aisin TF-60SN Volkswagen transmission code 09G
Aisin-Warner-09G-Electronics-Anatomy-of-Shift-Controls-Rostra-Powertrain-Controls.pdf
Transmission Input Speed sensor G182 and Output Speed sensor G195 are both Hall.
Solenoid Valve 1 N88 and Solenoid Valve 2 N89 are on/off.
52 pin connector¶
| Pin Number | Name | Default function | OEM Color |
|---|---|---|---|
| 1 | GND | Ground | BRN |
| 2 | GND | Ground | BRN |
| 3 | +12v | Hot all time | RED/BRN |
| 4 | Solenoid #10 B1 Positive | ||
| 5 | Solenoid #4 TC Positive | ||
| 6 | |||
| 15 | high side | Solenoid #2 | VIO/GRY |
| 16 | ??? | Solenoid #9 K2 ? | BRN/VIO |
| 17 | Solenoid #6 Main Pressure Negative | ||
| 18 | ??? | Solenoid #3 K3 ? | YEL/GRN |
| 27 | +12v | +12v in start/run | GRN/BLK |
| 29 | Shift lock solenoid ? | VIO/YEL | |
| 30 | ??? | Solenoid #3 K3 ? | YEL/VIO |
| 31 | Solenoid #6 Main Pressure Positive | ||
| 32 | Solenoid #9 K2 ? | VIO/BLU | |
| 34 | CAN | CAN | ORG/BRN |
| 39 | BRN | ||
| 42 | |||
| 42 | |||
| 43 | Solenoid #4 TC Negative | ||
| 46 | CAN | CAN | ORG/BRN |
| 48 | Shift lock solenoid ? | VIO | |
| 50 | GRN | ||

